| |

Vergaser Einstell-Anleitung
von Werner Konrad
Werner Konrad, seit den 60er Jahren im Geländesport aktiv, ist einer der erfolgreichsten Privatfahrer auf
Hercules. Er gewann alle 3 Hercules-Sachs Sportpokale, was außer ihm nur noch Erich Sander gelang. Obwohl
reiner Privatfahrer, ging Werner Konrad die Geländefahrerei äußerst professionell an. Er führte
über alle Veranstaltungen penibel Buch und konnte bei zukünftigen Veranstaltungen für alle Strecken-
und Witterungsbedingungen auf bewährte Vergasereinstellungen zurückgreifen. Seine Erfahrungen gibt er
mit den folgenden Tips zur Vergasereinstellung an uns weiter.
Vorbemerkungen
Die gelieferten Vergasereinstellungen sind bewusst etwas zu fett gehalten und so ausgelegt, dass auch bei niedrigen
Temperaturen und geringer Höhenlage der Motor nicht zum Klemmen kommt (bei normaler Beanspruchung).
Mit steigender Temperatur und in größeren Höhen muss der Vergaser magerer einreguliert werden.
Nachfolgende Hinweise sollten genau beachtet werden, denn nur bei optimaler Vergasereinstellung wird auch die beste
Beschleunigung und der geringste Kraftstoffverbrauch erreicht.
Fachausdrücke
zu fett: der Motor läuft im Viertakt
Der Motor bekommt zuviel Kraftstoff und läuft unruhig. Dieses Verhalten kann man deutlich hervorrufen, wenn
der Startschieber bei höheren Drehzahlen teilweise geschlossen wird. Der Motor beginnt dann zu stottern und
raucht aus dem Auspuff.
zu mager: der Motor klingelt oder setzt aus.
Der Motor bekommt zuwenig Kraftstoff. Beim kalten Motor setzt die Verbrennung teilweise aus. Ist die Betriebswärme
erreicht, so entsteht ein helles, metallisches Klingeln oder sogar Schlagen, auch ein Knistern aus dem Zylinder
deutet auf Klingelerscheinungen hin.
Wird in diesem Zustand weitergefahren, so überhitzt der Motor und der Kolben frißt.
Der Vergaser:
Überprüfungen
Allen Vergasereinstellarbeiten sollten folgende Kontrollen vorangehen:
Kraftstoffzulauf bei geschlossenem Tankdeckel
Zulaufhöhe muss dem Höhenunterschied zwischen Kraftstofftank und Vergaser entsprechen. Kraftstoff ca.
1 Minute laufen lassen, erst dann messen.
Hubraum des Motors Mindest-Durchlaufmenge
| 50 cm³ |
5 l/h - ca. 85 cm³/min |
| 125 cm³ |
10 l/h - ca. 170 cm³/min |
| 175 cm³ |
12 l/h - ca. 200 cm³/min |
| 250 cm³ |
15 l/h - ca. 250 cm³/min |
| 350 cm³ |
20 l/h - ca. 345 cm³/min |
Werden diese Werte nicht erreicht, ist der Zulauf zu gering, der Kraftstoffhahn zu klein, verstopft oder die Entlüftung
des Kraftstofftanks reicht nicht aus.
Vergaserreinigung
Alle Düsen und Kanäle müssen einwandfrei gereinigt werden.
Kraftstoffniveau
Der Schwimmer muss parallel zur Vergaserunterkante stehen. Dies ist die richtige Lage, bei der das Schwimmernadelventil
gerade schließen soll.
Verschleiß
Der Gasschieber soll noch keinen Verschleiß zeigen, darf aber auch nicht klemmen. Auch muss die Gasschieberanschlagschraube
des Gasschiebers den Gasschieber noch einwandfrei anheben können.
Vergaser-Zylinder-Verbindung
Die Verbindung des Vergasers mit dem Zylinderansaugstutzen muss einwandfrei dicht sein.
Luftfilter und Ansauggeräuschdämpfer
Weiter darf das Luftfilter nicht verschmutzt und er Ansauggeräuschdämpfer darf nicht undicht sein.
Erst wenn diese Voraussetzungen geschaffen wurden, kann an eine Regulierung des Vergasers gedacht werden.
Äußere Einflüsse
Witterung und Höhenlage
Folgende Einflüsse sind bei der Vergasereinstellung zu beachten:
höhere Leistung - fettere Einregulierung
niedrigere Leistung - magerere Einregulierung
Höhere Leistung wird durch folgende Einflüsse bewirkt:
höherer Luftdruck
a) der Standort des Fahrzeuges wird in tiefere Höhenlagen verlegt
b) der Luftdruck ist durch die Witterungslage höher als bei der letzten Vergasereinstellung
niedrigere Temperatur
Die Ursache für die nötige fettere Einstellung ist die dichtere Luft. Der Motor erhält dadurch mehr
Sauerstoff und um diesen optimal verbrennen zu können, ist eben mehr Kraftstoff erforderlich.
Niedrigerer Luftdruck und höhere Temperaturen erfordern eine magere Vergasereinstellung.
Regulierbereiche
Bei der Vergasereinstellung gibt es 4 verschiedene Wirkungsbereiche,
die durch entsprechendes Vergasereinstellmaterial beeinflusst werden können:
1. Leerlaufdüse und Leerlaufluftschraube sowie Gasschieberanschlagsschraube (Leerlaufbereich)
2. Gasschieber-Luftpolster und Gasschieberausschnitt (Gasschieberbereich)
3. Nadel und Nadeldüse (Nadeldüsenbereich)
4. Hauptdüse (Hauptdüsenbereich)
An diesen Teilen können bei Bedarf Regulierungsarbeiten vorgenommen werden.
Alle 4 aufgeführten Regulierungsstellen werden von der Stellung des Gasschiebers in Aktion gebracht.
Gasschieberhub in %
Bereichsbezeichnung
| 0 - 20% |
Leerlaufbereich |
| 10 - 30% |
Gasschieberbereich |
| 20 - 75% |
Nadeldüsenbereich |
| 50 - 100% |
Hauptdüsenbereich |
Für die Beurteilung dieser Bereiche ist der Motor vorher betriebswarm zu fahren.
Hauptdüsenbereich
Als erstes sollte die Hauptdüse festgelegt werden.
Der Motor wird Vollgas gefahren, soll aber nicht über seine Höchstdrehzahl hinausdrehen können (bei
Drehzahlen über die Spitzenleistung hinaus fettet der Motor wieder an). Am besten man fährt mit der Drehzahl,
wo der Motor seine höchste Zugkraft entwickelt (Übersetzung ändern, entsprechende lange Steigung
suchen, oder mit der Hinterradbremse die Steigung simulieren). Bei voll geöffnetem Gasschieber wird jetzt
der Startluftschieber langsam geschlossen, bis der Motor deutlich fetter zu werden beginnt.
a) Straßenbetrieb
Der Motor muss schon anfetten, wenn der Startschieber ca. 25% des Gesamthubes geschlossen wird. Kann der Schieber
weiter geschlossen werden, bis Viertakten auftritt, muss die Hauptdüse größer werden.
b) Geländebetrieb:
Hier kommt es stark auf die Fahrweise des Fahrers an und wir sorgsam er auch seinen Motor achtet. Im Allgemeinen
ist die Hauptdüse richtig, wenn der Startschieber teilweise geschlossen werden kann, bis ein Anfetten eintritt.
Als Grenzen können folgende Werte angenommen werden:
Hubraum
Anfetten bei
| bis 50 cm³ |
60% Startschieberschließweg |
| bis 250 cm³ |
40% Startschieberschließweg |
Die dazwischenliegenden Hubräume sollten dem Hubraum entsprechend eingestellt werden. Tritt der Viertaktlauf
früher ein, so kann die Hauptdüse kleiner werden. Tritt das Anfetten erst nach weiterem Schließen
des Start-schiebers ein, so sollte die Hauptdüse größer werden.
Achtung:
Bei Straßenstücken muss der Luftschieber wieder teilweise geschlossen werden, d.h. an sich ist der Motor
zu mager einreguliert. Da im Gelände aber nur in Ausnahmefällen über längere Zeit die Höchstleistung
verlangt wird, verkraftet der Motor in der übrigen Zeit die zu magere Einstellung und versäuft nicht
so schnell beim Gasgeben aus zu niedrigen Drehzahlen.
c) Moto Cross
Hier ist eine Strecke vorgegeben. An sich reicht es aus, genau auf das Motoren- und das Verbrennungsgeräusch
zu achten. Die Hauptdüse kann so klein gewählt werden, bis der Motor an irgendeiner Stelle des Cross-Kurses
bei Vollgas zu klingeln beginnt. Dies wird gewöhnlich die Stelle sein, wo am längsten auch die höchste
Leistung verlangt wird. Ist diese Düse gefunden, so sollte aus Sicherheitsgründen trotzdem eine Nummer
größer eingeschraubt werden, da erfahrungsgemäß im Wettkampf selber doch mehr Leistung vom
Motor verlangt wird.
Leerlaufbereich
Die Leerlaufluftschraube wird auf eine Umdrehung offen eingestellt
und mit der Schieberanschlagschraube die Leerlaufdrehzahl festgelegt. Der Motor ist betriebswarm und es wird Vollgas
gefahren, dann wird der Gasschieber geschlossen und Kupplung gezogen.
Nun muss die Motordrehzahl gleichmäßig auf die Leerlaufdrehzahl zurückfallen.
Bleibt der Motor bei höheren Drehzahlen hängen, muss erst einmal die Schieberanschlagschraube zurückgedreht
werden. Mit kurzzeitigem Gasgeben wird kontrolliert, ob die Leerlaufdrehzahl jetzt konstant bleibt.
Wichtig ist, dass der Motor immer wieder auf seine eingestellte Drehzahl zurückgeht.
Zur Kontrolle wird das gleiche Verfahren mit ½ und 1 ½ Luftschrau-benöffnung und entsprechender
Schieberanschlagschraube wiederholt.
Wird dabei z.B. mit ½ Luftschraubenöffnung ein konstanteres Ergebnis erzielt, so war die Leerlaufdüse
zu klein und muss durch eine größere ersetzt werden (bei 1 ½ Umdrehungen kleinere Leerlaufdüse
erforderlich).
Dieses Verfahren wird so lange fortgesetzt, bis ein konstantes Motorverhalten erreicht wird.
Nadeldüsenbereich
Die Nadelposition bleibt serienmäßig.
Am einfachsten wird der halbe Gasschieberhub auf dem Gasgriff markiert (Motor warmfahren).
Bei 40% Gasschieberhub muss der Motor in mittleren und hohen Drehzahlen einwandfrei rundlaufend (Luftschieber voll
geöffnet), beim Vier-takten kleinere Nadeldüse, bei Aussetzern oder Klingeln größere Nadeldüse
einsetzen.
Durch den pulsierenden Gasstrom wird die Düsennadel sehr stark bewegt und schlägt an die kalibrierte
Wand der Nadeldüse. Dadurch wird die Nadeldüse langsam größer und läßt immer mehr
Kraftstoff durch. Meist ist ein zu fettes Gemisch auf eine ausgeschlagene Nadeldüse zurückzuführen.
Es kann durchaus erforderlich sein, daß schon nach 500 km Fahrleistung und gleichzeitig gestiegenen Außentemperaturen
ein Auswechseln der Nadeldüsen sinnvoll ist (zerstören Sie die gebrauchte Nadeldüse sofort nach
dem Ausbau, denn das wirkliche Maß kann nur mit Spezialdurchlaufgeräten ermittelt werden).
Die Düsennadel hat verschiedene Kerben als Aufhängepunkte. Durch Aufhängen in die einzelnen Kerben
kann das Gemisch im Nadeldüsen-bereich ebenfalls beeinflusst werden. Ein Höherhängen der Nadel bewirkt,
dass der Nadelkonus früher zum Wirken kommt und das Gemisch wird fetter. Umgekehrt wird das Gemisch magerer
durch Tieferhängen. Dies ist oft erforderlich, wenn erste Verschleißerscheinungen an der Nadeldüse
eingetreten sind und keine Düse zur Hand ist.
Der Nadelkonus ist vom Werk auf optimale Wirkung geprüft worden und dürfte im Normalfall auch einwandfreie
Funktion gewährleisten. Bei extremen Witterungsbedingungen oder Änderungen am Motor oder Auspuff kann
es jedoch durchaus erforderlich werden, dass auch der Nadelkonus geändert werden muss. Dies bedeutet eine
völlig neue Einregulierung und sollte dem Vergaserspezialisten vorbehalten bleiben.
Schieberbereich
Unter dem Gasschieber zu den Düsen hin ist der Schieber ausgedreht und damit wird ein Luftpolster erzeugt.
Zum Vergasereintritt ist ein Anschnitt angebracht. Je größer Luftpolster und Anschnitt sind, desto magerer
wird das Kraftstoff-Luftgemisch.
Das Luftpolster wirkt direkt über dem Leerlaufbereich. Der Anschnitt beeinflußt die Gemischzusammensetzung
bis in den Nadeldüsenbereich.
Der Wirkungsbereich des Gasschiebers ist mit großer Vorsicht zu erproben, da der Motor nur wenig Kraftstoff
und somit auch Öl erhält und doch schon eine beachtliche Leistung entwickelt. Ölmangel und Überhitzung
können zu Fressern führen.
Die Markierung wird auf 20% Gasschieberhub gelegt und kurzzeitig in die dem Bereich mit verschiedenen Drehzahlen
gefahren. Bei zu magerer Einstellung setzt der kalte Motor aus, der heiße Motor beginnt metallisch hart zu
schlagen (extremes Klingeln). Dieses Geräusch darf nicht mit Viertakten verwechselt werden, da es sich fast
wie Aussetzer anhört. Eine möglichst magere Einstellung ist anzustreben.
Bei extrem heißer Witterung kommt es manchmal vor, dass der Motor nicht mehr aus dem Viertakt herauskommt,
wenn er mit zu niedrigen Drehzahlen gefahren wurde. Hier hilft dann oft nur noch eine magere Gasschiebervariante
(natürlich müssen erst die anderen Düsenwerte stimmen). Ein leichtes Klingeln muss dann oft in Kauf
genommen werden und der Fahrer sollte dann vermeiden, längere Zeit in diesem Be-triebszustand zu fahren.
Regulierung
Nachdem alle Einstellwerte optimiert sind, müsste der Motor aus dem Leerlauf ohne Belastung spontan auf jede
Gasschieberbewegung reagieren. Bei Belastung muss aus mittleren Drehzahlen heraus ein deutliches Gasannehmen zu
fühlen sein.
Es ist möglich, dass noch Korrekturen erforderlich sind, da sich die Bereiche überlappen, aber dies dürfte
kein Problem mehr sein, wenn alle Werte schon einmal bewusst eingestellt wurden.
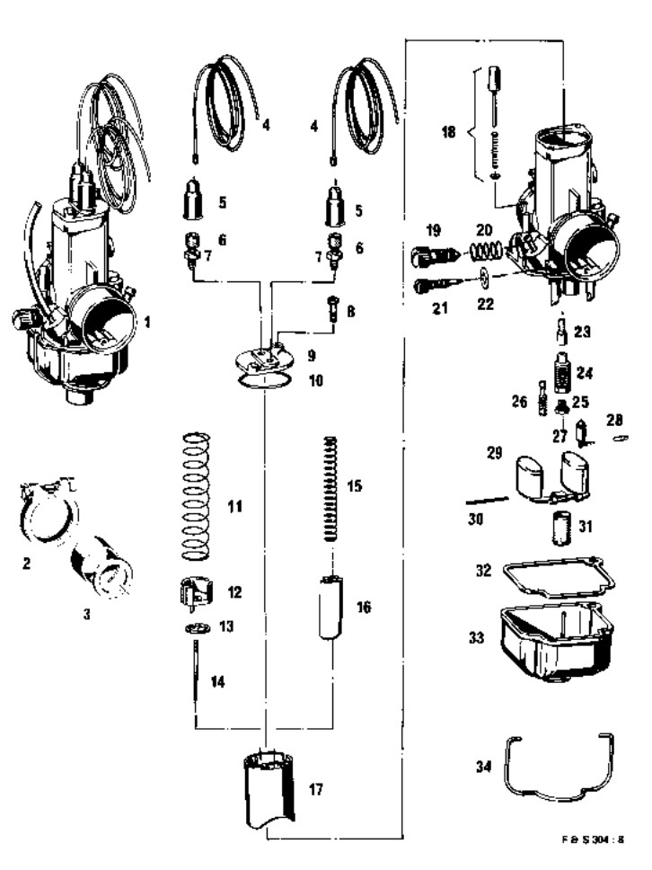
Die Abbildung auf der folgenden Seite wurde der Ersatzteilliste für den Sachs 50/6 BGS-Motor entnommen und
zeigt beispielhaft den Aufbau eines Vergasers, wie er bei den meisten Sachs-Motoren ab 1968 zur Verwendung kam.
Hinweis der Webmaster: Die Tips beruhen auf langjähriger Erfahrung im Geländesport. Trotzdem kann eine
Haftung selbstverständlich nicht übernommen werden.


|
|